系列文章 : 使用 Verilog 實作 in-order CPU
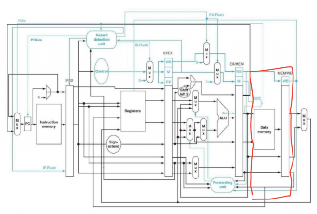
mem-stage
mem-stage 負責
- 決定是否該進行 branch,並且將這個結果傳遞到
fetch-stage 以及 hazard detection
- 對
data-memory 進行讀寫。

在 mem-stage 會用到
- Mux_4to1
- and gate
- Data_Memory
- Pipeline_Reg_MEM_WB
相關程式碼
Mux_4to1 #(.size(1)) mux_branch_type
d_branch_type_i 這個訊號代表了目前我們是使用哪一種 branch。
- 0 : branch equal ( beq )
- 兩值相減等於 0, 代表相同
-
alu_zero_i : 在 ALU 的時候,兩值相減得出是 0
- 1 : branch greater than ( bgt )
- 兩值相減後為正整數 ( 不可為 0 )
-
(~alu_result_i[31] & ~alu_zero_i) : 在 ALU 的時候,兩值相減後為正整數,且不為 0。
- 2 : branch greater than or equal ( bge )
- 兩值相減後不為負數 ( 可為 0 )
-
~alu_result_i[31] : 在 ALU 的時候,兩值相減 sign bit 為 0,代表結果為正整數。
- 3 : branch not equal ( bne )
- 兩值相減不等於 0
-
~alu_zero_i : 在 ALU 的時候,兩值相減不為 0,所以 alu_zero_i == 0。
and branch_and
- d_branch_i
- 這個 instruction 是否為 branch instruction
- mux_branch_type_o
- 這個 instruction 是否符合 branch 的條件
最後 branch_and_o 為 true 的話,表示這個 instruction 確定是 branch 且要跳的了。
Data_Memory data_mem
- alu_result_i
- 在 alu,會用 rs 跟 imm 計算出要放入 data-memory 的哪個位址 ( 也就是 address )
- regfile_2_i
- 想要放進 data-memory 的值 ( value )
- d_memread_i
- 從 decoder 那邊解析出的控制訊號,當為
true 的時候,就代表我們需要從 data-memory 讀取出資料。
- d_memwrite_i
- 從 decoder 那邊解析出的控制訊號,當為
true 的時候,就代表我們需要對 data-memory 寫入資料。
- data_mem_o
Pipeline_Reg_MEM_WB pipeline_reg_mem_wb
- Pipeline_Reg #(.size(1)) d_memtoreg
- 從 decoder 那邊解析出來的控制訊號
- 0 : 將 ALU 的結果存入 reg-file
- 1 : 將 data-memory 的結果存入 reg-file
- Pipeline_Reg #(.size(1)) d_regwrite
- 從 decoder 那邊解析出來的控制訊號
- 0 : 不需要對 reg-file 進行寫入
- 1 : 需要對 reg-file 進行寫入
- Pipeline_Reg #(.size(5)) regdst
- 假如我們需要對 reg-file 進行寫入,
regdst 代表寫入的位址 ( address )。因為 reg-file 裡面總共有 32 個 register,所以這個 address 的寬度為 5 ( 2 ** 5 = 32 )。
- Pipeline_Reg #(.size(32)) data_mem
- Pipeline_Reg #(.size(32)) alu_result